行車(chē)專用減速機(jī)


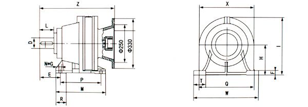
| 機(jī)型號(hào) | M | W | Z | Z1 | I | X | H | E | F | P | Q | V | G | B | C | D | L |
| HC22 | 238 | 410 | 416 | 314 | 355 | 300 | 160 | 204 | 25 | 150 | 370 | 4 | 17 | 16 | 59 | 55 | 80 |
| HC27 | 335 | 430 | 473 | 368 | 435 | 360 | 200 | 139 | 30 | 275 | 380 | 4 | 21 | 20 | 74 | 70 | 94 |
行車(chē)專用減速機(jī) 0 本文被閱讀 6019 次
|
|||||||||
|
|
|
|
聯(lián)系人:尹經(jīng)理 手機(jī):15065601858 電話:0536-3458568 地址:山東省濰坊市臨朐東城街辦夏西路熱電廠東側(cè) |
||
|